Sistema Fotovoltaico Residencial (SFV 18)
Date:
☀️ Sobre o Projeto
Este projeto consistiu no dimensionamento e na elaboração da documentação técnica para a instalação de um sistema de microgeração fotovoltaica conectada à rede (On-Grid). O projeto foi focado na otimização da geração de energia para atender à demanda residencial, garantindo o máximo de eficiência com base na área disponível.
🎯 Atuação Técnica e Homologação
Minha responsabilidade neste projeto envolveu desde a concepção técnica até a preparação para a vistoria da concessionária:
- Dimensionamento do Sistema: Cálculo da quantidade de módulos e escolha do inversor ideal para a curva de carga da residência.
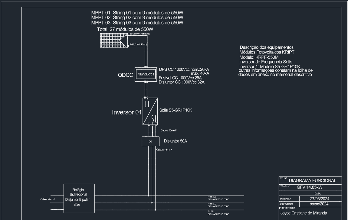
- Elaboração de Diagramas: Desenvolvimento dos diagramas unifilares e multifilares detalhando as proteções em corrente contínua (CC) e corrente alternada (CA).
- Análise de Localização: Elaboração da planta de situação para garantir o melhor aproveitamento solar e evitar sombreamentos.
🛠️ Especificações Técnicas
- Diagramas Unifilares: Detalhamento da conexão entre os módulos, string box e inversor.
- Proteções: Especificação de DPS (Dispositivos de Proteção contra Surtos) e disjuntores adequados para sistemas fotovoltaicos.
- Parecer de Acesso: Documentação preparada conforme as normas vigentes da concessionária para a solicitação de acesso.
📸 Imagens do Projeto (SFV 18)
Legenda: Detalhamento dos diagramas unifilares do sistema, apresentando a conexão dos módulos e proteções elétricas.
Legenda: Detalhamento dos diagramas unifilares do sistema, apresentando a conexão dos módulos e proteções elétricas.
Legenda: Planta de situação indicando a localização da unidade consumidora e a área de instalação dos módulos.
Legenda: Planta de situação indicando a localização da unidade consumidora e a área de instalação dos módulos.
